1. Do not share user accounts! Any account that is shared by another person will be blocked and closed. This means: we will close not only the account that is shared, but also the main account of the user who uses another person's account. We have the ability to detect account sharing, so please do not try to cheat the system. This action will take place on 04/18/2023. Read all forum rules.
    Dismiss Notice
  2. For downloading SimTools plugins you need a Download Package. Get it with virtual coins that you receive for forum activity or Buy Download Package - We have a zero Spam tolerance so read our forum rules first.

    Buy Now a Download Plan!
  3. Do not try to cheat our system and do not post an unnecessary amount of useless posts only to earn credits here. We have a zero spam tolerance policy and this will cause a ban of your user account. Otherwise we wish you a pleasant stay here! Read the forum rules
  4. We have a few rules which you need to read and accept before posting anything here! Following these rules will keep the forum clean and your stay pleasant. Do not follow these rules can lead to permanent exclusion from this website: Read the forum rules.
    Are you a company? Read our company rules

Question Not running motor in reverse direction with MM Shield driver

Discussion in 'SimTools DIY Version' started by Prabin Kumar Jha, Mar 5, 2018.

  1. Prabin Kumar Jha

    Prabin Kumar Jha Member

    Joined:
    Jan 12, 2018
    Messages:
    53
    Balance:
    271Coins
    Ratings:
    +2 / 0 / -0
    I ran the default setting but again no result achieved. For your reference, the response of output testing with slider of game engine is attached below.

    upload_2018-4-13_11-21-3.png


    During the running of dirt rally, the response of tuning centre is shown below.


    upload_2018-4-13_11-11-45.png

    Since I am working on this last couple of days and no response of driver seat dynamics could be got.

    Attached Files:

  2. bruce stephen

    bruce stephen Hammer doesnt fix it, must be electrical

    Joined:
    Jun 7, 2015
    Messages:
    1,286
    Occupation:
    general contractor
    Location:
    michigan
    Balance:
    9,115Coins
    Ratings:
    +1,243 / 9 / -0
    My Motion Simulator:
    2DOF, DC motor, Arduino, Motion platform, 6DOF
    what do you mean "fixed hardware"?
  3. Prabin Kumar Jha

    Prabin Kumar Jha Member

    Joined:
    Jan 12, 2018
    Messages:
    53
    Balance:
    271Coins
    Ratings:
    +2 / 0 / -0
    I mean the pots. are fixed with motor shafts. Can I run smc3 utility in this condition?
  4. Prabin Kumar Jha

    Prabin Kumar Jha Member

    Joined:
    Jan 12, 2018
    Messages:
    53
    Balance:
    271Coins
    Ratings:
    +2 / 0 / -0
    can you please explain bit more about the procedure of another method? It needs two computers?

    I have connected with smc3 utility and the screenshot as:
    upload_2018-4-13_14-40-8.png

    ,
  5. Prabin Kumar Jha

    Prabin Kumar Jha Member

    Joined:
    Jan 12, 2018
    Messages:
    53
    Balance:
    271Coins
    Ratings:
    +2 / 0 / -0
  6. Prabin Kumar Jha

    Prabin Kumar Jha Member

    Joined:
    Jan 12, 2018
    Messages:
    53
    Balance:
    271Coins
    Ratings:
    +2 / 0 / -0
    What and where is an issue?
    I checked from all directions but did not find the solution.
    It is now becoming pain for me.
    Please help me.
  7. yobuddy

    yobuddy Well-Known Member Staff Member Moderator SimAxe Beta Tester SimTools Developer Gold Contributor

    Joined:
    Feb 9, 2007
    Messages:
    5,451
    Occupation:
    Computer Technician
    Location:
    Portland, Oregon - USA
    Balance:
    51,529Coins
    Ratings:
    +5,204 / 19 / -0
    • Agree Agree x 2
  8. Prabin Kumar Jha

    Prabin Kumar Jha Member

    Joined:
    Jan 12, 2018
    Messages:
    53
    Balance:
    271Coins
    Ratings:
    +2 / 0 / -0
    But without moving of motors for seat dynamics, how to set the tuning center.
  9. bruce stephen

    bruce stephen Hammer doesnt fix it, must be electrical

    Joined:
    Jun 7, 2015
    Messages:
    1,286
    Occupation:
    general contractor
    Location:
    michigan
    Balance:
    9,115Coins
    Ratings:
    +1,243 / 9 / -0
    My Motion Simulator:
    2DOF, DC motor, Arduino, Motion platform, 6DOF
    before you try the directions below you should confirm movement by briefly selecting SINE mode in the smc3 utility. If you have movement there then move to the next step.

    ok for udp pass thru with smc3 utility, start with the game engine/interface settings/interface type set as NETWORK
    then set the IP address according to the pc that is running the smc3 utility. even if it is only one computer it will work. use ipconfig to get your ip if you need to.
    then set the port number. the default that is also listed in your screenshot is port:20017
    10bit range
  10. Prabin Kumar Jha

    Prabin Kumar Jha Member

    Joined:
    Jan 12, 2018
    Messages:
    53
    Balance:
    271Coins
    Ratings:
    +2 / 0 / -0
    There is no movement in motors as selected SINE mode. I exchanged the pot. +and -. Pls. see the screenshot below:
    upload_2018-4-14_11-10-5.png
  11. bruce stephen

    bruce stephen Hammer doesnt fix it, must be electrical

    Joined:
    Jun 7, 2015
    Messages:
    1,286
    Occupation:
    general contractor
    Location:
    michigan
    Balance:
    9,115Coins
    Ratings:
    +1,243 / 9 / -0
    My Motion Simulator:
    2DOF, DC motor, Arduino, Motion platform, 6DOF
    you do not have smc3 set up properly. please go thru the smc3 setup again. until you get movement in smc3, simtools will not work.
    https://www.xsimulator.net/communit...3dof-motor-driver-and-windows-utilities.4957/

    the green line should chase/follow the blue one with corresponding motor movement when set up properly.
    • Agree Agree x 1
  12. bruce stephen

    bruce stephen Hammer doesnt fix it, must be electrical

    Joined:
    Jun 7, 2015
    Messages:
    1,286
    Occupation:
    general contractor
    Location:
    michigan
    Balance:
    9,115Coins
    Ratings:
    +1,243 / 9 / -0
    My Motion Simulator:
    2DOF, DC motor, Arduino, Motion platform, 6DOF
    i notice you are using smc3 version .6
    dload and use sketch version .7 in mode 2 if your using ibt-2 or without changes if your using monster moto on the arduino
    also in the second screenshot smc3 is not connected to a controller/arduino running the smc3 sketch. Please check that the comport is correct in the smc3 config and that the device is connected to the pc
    • Like Like x 1
  13. Prabin Kumar Jha

    Prabin Kumar Jha Member

    Joined:
    Jan 12, 2018
    Messages:
    53
    Balance:
    271Coins
    Ratings:
    +2 / 0 / -0
    I performed as suggested but no response in seat dynamics once the dirt rally is connected and also output setting slider does not effect on the motors. In smc3 utility it is working. pls. find the screenshots below:
    upload_2018-4-14_12-58-4.png


    upload_2018-4-14_12-58-32.png



    I have taken the default setting of axis assignment.

    upload_2018-4-14_12-57-33.png
    upload_2018-4-14_13-7-9.png
  14. bruce stephen

    bruce stephen Hammer doesnt fix it, must be electrical

    Joined:
    Jun 7, 2015
    Messages:
    1,286
    Occupation:
    general contractor
    Location:
    michigan
    Balance:
    9,115Coins
    Ratings:
    +1,243 / 9 / -0
    My Motion Simulator:
    2DOF, DC motor, Arduino, Motion platform, 6DOF
    smc3 is still the wrong version, and is not tracking properly. i cannot help if you will not follow the steps set for you above.
  15. Prabin Kumar Jha

    Prabin Kumar Jha Member

    Joined:
    Jan 12, 2018
    Messages:
    53
    Balance:
    271Coins
    Ratings:
    +2 / 0 / -0
    Sorry for inconvenience, I was my mistake as your email was in my junk email and I did not know how it was there. So I could not see it during interfacing.
    Anyway, I downloaded smc3 ver.0.7 and made mode2 as I am using ibt2 motor driver and following are the responses of motors:
    Motor1:

    upload_2018-4-15_2-51-32.png
    Motor2:

    upload_2018-4-15_2-51-56.png




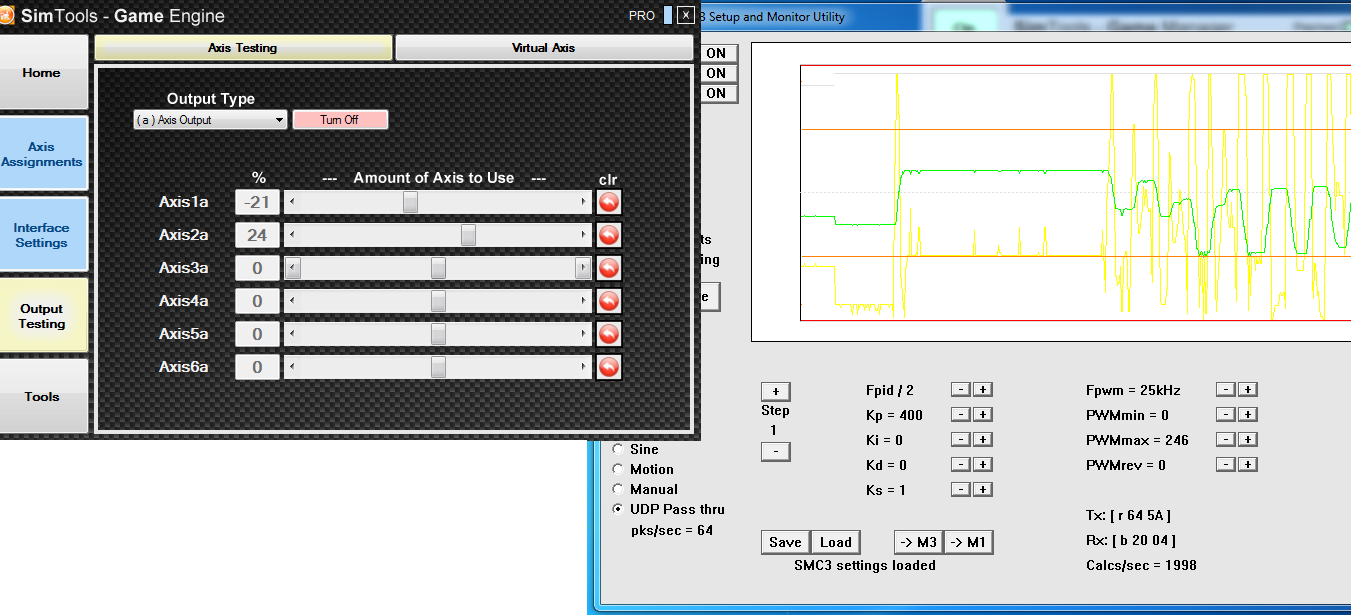
    My setup is also attached for your reference. As I connected smc3 utility with game engine via network interface, I did not get any response in motors through output testing slider. Setting of game engine and smc3 utility are shown below:

    upload_2018-4-15_2-55-24.png
    Pls. suggest me further to make my model run.

    Attached Files:

  16. bruce stephen

    bruce stephen Hammer doesnt fix it, must be electrical

    Joined:
    Jun 7, 2015
    Messages:
    1,286
    Occupation:
    general contractor
    Location:
    michigan
    Balance:
    9,115Coins
    Ratings:
    +1,243 / 9 / -0
    My Motion Simulator:
    2DOF, DC motor, Arduino, Motion platform, 6DOF
    try local ip 127.0.0.1
  17. Prabin Kumar Jha

    Prabin Kumar Jha Member

    Joined:
    Jan 12, 2018
    Messages:
    53
    Balance:
    271Coins
    Ratings:
    +2 / 0 / -0
    I tried with local ip as suggested, but no response while operating output testing slider. pls. find the screen shot of setting:
    upload_2018-4-15_11-8-15.png
  18. noorbeast

    noorbeast VR Tassie Devil Staff Member Moderator Race Director

    Joined:
    Jul 13, 2014
    Messages:
    22,029
    Occupation:
    Innovative tech specialist for NGOs
    Location:
    Tasmania, Australia
    Balance:
    153,770Coins
    Ratings:
    +11,149 / 57 / -2
    My Motion Simulator:
    3DOF, DC motor, JRK
    If this is running on a single PC then:

    Simtools Setup

    Setup for Simtools 2 is very straight forward:

    [A<Axis1a>][B<Axis2a>]

    Set for 10bit binary output

    Baud rate 500000 , N , 8 , 1 (10ms delay)
  19. Prabin Kumar Jha

    Prabin Kumar Jha Member

    Joined:
    Jan 12, 2018
    Messages:
    53
    Balance:
    271Coins
    Ratings:
    +2 / 0 / -0
    It works with network interfacing in game engine via udp pass through and both motors operate through output testing with slider but as connected with dirt rally game, no response in motors. Pls. see the screenshot.
    Again the problem remains same.


    upload_2018-4-16_8-13-41.png
  20. noorbeast

    noorbeast VR Tassie Devil Staff Member Moderator Race Director

    Joined:
    Jul 13, 2014
    Messages:
    22,029
    Occupation:
    Innovative tech specialist for NGOs
    Location:
    Tasmania, Australia
    Balance:
    153,770Coins
    Ratings:
    +11,149 / 57 / -2
    My Motion Simulator:
    3DOF, DC motor, JRK
    If a sim behaves correctly in output testing then the most common problem where the game is fully updated and supported by the plugin is a configuration issue.

    The patch path for Codemaster games is different, depending on it being a 32 or 64bit version of Windows: https://www.xsimulator.net/communit...-32-bit-install-path-for-motion-patching.260/

    Games should have been run before patching.

    Follow these steps to create and refine a motion profile, doing one axis/force at a time: https://www.xsimulator.net/community/faq/steps-to-create-a-motion-profile.228/