1. Do not share user accounts! Any account that is shared by another person will be blocked and closed. This means: we will close not only the account that is shared, but also the main account of the user who uses another person's account. We have the ability to detect account sharing, so please do not try to cheat the system. This action will take place on 04/18/2023. Read all forum rules.
    Dismiss Notice
  2. For downloading SimTools plugins you need a Download Package. Get it with virtual coins that you receive for forum activity or Buy Download Package - We have a zero Spam tolerance so read our forum rules first.

    Buy Now a Download Plan!
  3. Do not try to cheat our system and do not post an unnecessary amount of useless posts only to earn credits here. We have a zero spam tolerance policy and this will cause a ban of your user account. Otherwise we wish you a pleasant stay here! Read the forum rules
  4. We have a few rules which you need to read and accept before posting anything here! Following these rules will keep the forum clean and your stay pleasant. Do not follow these rules can lead to permanent exclusion from this website: Read the forum rules.
    Are you a company? Read our company rules

SMC3 Arduino 3DOF 3-Phase AC motor Opto-Coupler shield ...

Discussion in 'SimTools compatible interfaces' started by speedy, Jan 7, 2017.

  1. lemaitre

    lemaitre Member

    Joined:
    Jan 10, 2015
    Messages:
    62
    Balance:
    - 111Coins
    Ratings:
    +41 / 0 / -0
    My Motion Simulator:
    2DOF, 3DOF, DC motor, Arduino, Motion platform
    yes, actually, I did not connect it, I will do it and test
  2. Llewelyn

    Llewelyn Member

    Joined:
    Nov 10, 2017
    Messages:
    69
    Occupation:
    IT consultant
    Location:
    south africa
    Balance:
    108Coins
    Ratings:
    +18 / 0 / -0
    My Motion Simulator:
    DC motor, Arduino, Motion platform, 4DOF
    Good day Speedy,I have allocated all the components for this build,excepting the z5 1v diode,the lowest I can get here is a 2volt diode,will that be okay to use?Thanks so much.
  3. Llewelyn

    Llewelyn Member

    Joined:
    Nov 10, 2017
    Messages:
    69
    Occupation:
    IT consultant
    Location:
    south africa
    Balance:
    108Coins
    Ratings:
    +18 / 0 / -0
    My Motion Simulator:
    DC motor, Arduino, Motion platform, 4DOF
    Sorry realized it was a 5.1v.Thanks
    • Like Like x 1
  4. speedy

    speedy Well-Known Member

    Joined:
    Feb 1, 2012
    Messages:
    1,193
    Location:
    Alexandria , Egypt
    Balance:
    7,944Coins
    Ratings:
    +1,287 / 10 / -0
    My Motion Simulator:
    3DOF, AC motor, Arduino, Motion platform
    Good day every one ...
    I didn't update the board layer for the last discovered problem yet "inverting the PWM signal " ...
    So please be aware of that you'll get a 10v out to the VFD where it should be zero ... that would make the motor oscillate and never give a stop on the target point .
    So sorry for that error ...
    Update is coming ASAP .
    • Informative Informative x 1
  5. cthiggin

    cthiggin Active Member

    Joined:
    Jul 1, 2012
    Messages:
    672
    Occupation:
    Self-Employed
    Location:
    Montgomery AL USA
    Balance:
    15,210Coins
    Ratings:
    +435 / 0 / -0
    My Motion Simulator:
    3DOF, AC motor, Arduino, Motion platform
    Well Hello Speedy,
    I'm sure you remember ol' Tom in Alabama. I have been waiting about 20 months now for you to send me the pcb you owed me. If you remember, I advanced you shipping to help you out.
    I still have the old pcb that did not work. I have gone to the "1280" board which is professional and has a lifetime warranty.

    I wish you well. Do Unto Others Friend as You Would Have Them do Unto You.!

    Tom

    PS to Administrator: Kind sir, if you look in the past to all of my posts, you will find that I have never posted a negative or derogatory statement / or / slander another member.
    This post was to a former friend that used me on several occasions and would never return my personal email's to him. This will be the "first and last" post making reference to
    this member. Thank you for your understanding and consideration.
  6. Llewelyn

    Llewelyn Member

    Joined:
    Nov 10, 2017
    Messages:
    69
    Occupation:
    IT consultant
    Location:
    south africa
    Balance:
    108Coins
    Ratings:
    +18 / 0 / -0
    My Motion Simulator:
    DC motor, Arduino, Motion platform, 4DOF
    Good day Speedy.Is the inversion of the signal needed,will the circuit work without it or should I wait for the update.Sorry my understanding of electronics is a bit limited.Thanks so much for your expertise.
  7. speedy

    speedy Well-Known Member

    Joined:
    Feb 1, 2012
    Messages:
    1,193
    Location:
    Alexandria , Egypt
    Balance:
    7,944Coins
    Ratings:
    +1,287 / 10 / -0
    My Motion Simulator:
    3DOF, AC motor, Arduino, Motion platform
    Dear Tom @cthiggin ... really sorry for that huge delay in delivering your board or even updating the discovered error for all others ... As you knew I had major setback made me selling every thing even my precious equipment and computer :(
    You have all the rights to complain but Please keep spare me for a while ...

    Massaging you from an old friend's phone how's sending you his regards and best wishes

    Sorry buddy I wish I can make it up to you

    Please note I still have my old hard drive where every thing is stored there even my e-mail password which is totally forgotten
    Last edited: Jul 30, 2019
  8. speedy

    speedy Well-Known Member

    Joined:
    Feb 1, 2012
    Messages:
    1,193
    Location:
    Alexandria , Egypt
    Balance:
    7,944Coins
    Ratings:
    +1,287 / 10 / -0
    My Motion Simulator:
    3DOF, AC motor, Arduino, Motion platform
    Good day @Llewelyn ... yes this error must be updated first otherwise it will cause oscillations in motion ...

    I hope I can update it soon and be able to upload it to the first post

    Thanks for your understanding
  9. Llewelyn

    Llewelyn Member

    Joined:
    Nov 10, 2017
    Messages:
    69
    Occupation:
    IT consultant
    Location:
    south africa
    Balance:
    108Coins
    Ratings:
    +18 / 0 / -0
    My Motion Simulator:
    DC motor, Arduino, Motion platform, 4DOF
    Oh okay,no problem,sorry to hear about all your equipment,wish you back on your feet as soon as possible.Regards.
  10. zapata_h

    zapata_h Active Member

    Joined:
    Dec 25, 2013
    Messages:
    221
    Occupation:
    Industrial Maintenance Manager
    Location:
    España
    Balance:
    308Coins
    Ratings:
    +43 / 0 / -0
    My Motion Simulator:
    3DOF, AC motor, Arduino
    Good morning, speedy would be so kind to provide me with the gerber file of the plate?
  11. Llewelyn

    Llewelyn Member

    Joined:
    Nov 10, 2017
    Messages:
    69
    Occupation:
    IT consultant
    Location:
    south africa
    Balance:
    108Coins
    Ratings:
    +18 / 0 / -0
    My Motion Simulator:
    DC motor, Arduino, Motion platform, 4DOF
    Good day Speedy,any update as yet perhaps..Thanks so much.If not its fine.:thumbs
    • Like Like x 1
  12. speedy

    speedy Well-Known Member

    Joined:
    Feb 1, 2012
    Messages:
    1,193
    Location:
    Alexandria , Egypt
    Balance:
    7,944Coins
    Ratings:
    +1,287 / 10 / -0
    My Motion Simulator:
    3DOF, AC motor, Arduino, Motion platform
  13. Llewelyn

    Llewelyn Member

    Joined:
    Nov 10, 2017
    Messages:
    69
    Occupation:
    IT consultant
    Location:
    south africa
    Balance:
    108Coins
    Ratings:
    +18 / 0 / -0
    My Motion Simulator:
    DC motor, Arduino, Motion platform, 4DOF
    Hi finally got the AC motor connections figured out,so if anyone ends up on this page,here is what I did.
    Used the mach3 analogue convertor 0-10v (very cheap) and added a octocoupler circuit (also just two octocouplers and two resistors) for the two directions to connect to the vfd.Tried this on 3 different VFD's ,Mitsubishi rf-e720s ,Bonfiglioli vector and a allen bradley 22a.



    AC motor setup.png
    • Informative Informative x 1
  14. Jan van Velzen

    Jan van Velzen New Member

    Joined:
    Mar 13, 2020
    Messages:
    7
    Occupation:
    Technician, Retired
    Location:
    Netherlands, IJmuiden
    Balance:
    - 44Coins
    Ratings:
    +3 / 1 / -0
    My Motion Simulator:
    3DOF, AC motor, Arduino
    Verry nice, thanks for the scedule its just where i was looking for :)
    I am still in the prototyping fase for my 3/4dof + track loss with AC 3phase power.
    • Dislike Dislike x 1
  15. Llewelyn

    Llewelyn Member

    Joined:
    Nov 10, 2017
    Messages:
    69
    Occupation:
    IT consultant
    Location:
    south africa
    Balance:
    108Coins
    Ratings:
    +18 / 0 / -0
    My Motion Simulator:
    DC motor, Arduino, Motion platform, 4DOF
    No problem,took me a while to get this figured out,a lot of information to sort through on the site:grin,but thanks to member Yobuddy's help :thumbsI got it done.Still having problems with sensors,using pots,I think they are not good enough for AC motors configuration,going to try hall sensors and see from there.All the best.
  16. Danielw

    Danielw New Member

    Joined:
    Jul 23, 2021
    Messages:
    7
    Occupation:
    Self-employed
    Location:
    Sweden
    Balance:
    - 16Coins
    Ratings:
    +1 / 0 / -0
    I know this is over a year old thread, but i hope someone maybe can help me with the optocoupler circuit.
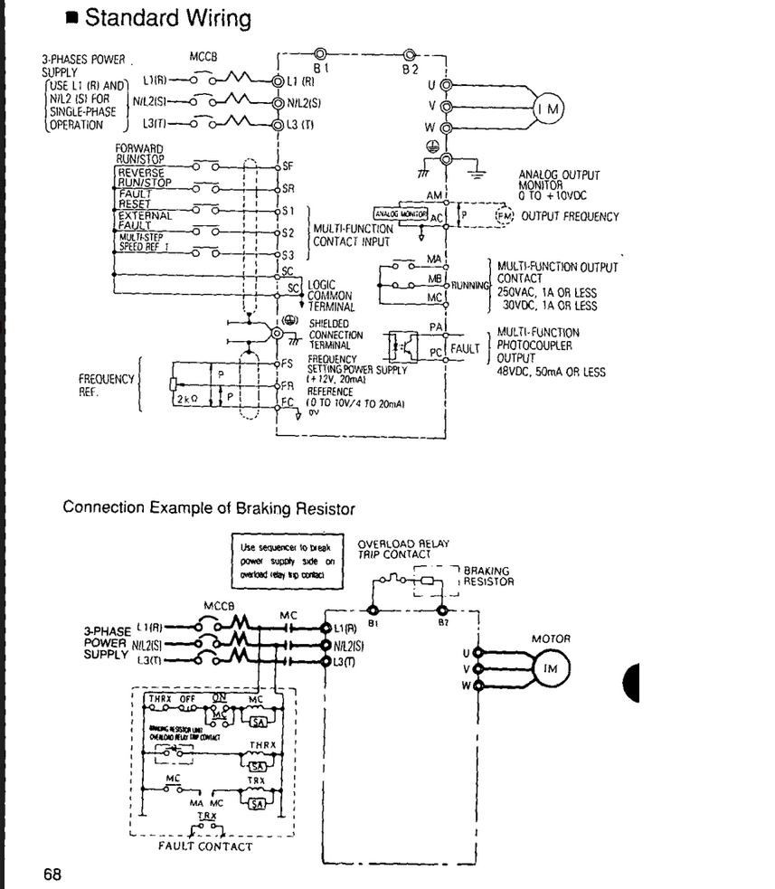
    As i did mention in my own thread in this forum i am trying to gather used stuff from scrapheaps and old broken machines for my first build. I have managed to get some old Yaskawa freq drives and from what i can see they have an output called "Multi-Function Photocoupler Output at 48VDC 50mA or less". Does that mean that this VFD already have a built in optocoupler i can use for arduinio or is it only an auxiliary voltage output for external circuits? Im uploading the schematic here also so you can see what i mean. VSminiwiring.png
  17. Viktor

    Viktor New Member

    Joined:
    Jul 12, 2018
    Messages:
    23
    Occupation:
    C# Developer
    Location:
    Germany
    Balance:
    39Coins
    Ratings:
    +13 / 0 / -0
    My Motion Simulator:
    3DOF, AC motor
    I Would connect the Emitter (the Lower pin named PC) to ground, the Collector (the upper Pin named PA) to the Arduino Input und also use an Internal (or External) Pullup to +5V. :)
  18. Danielw

    Danielw New Member

    Joined:
    Jul 23, 2021
    Messages:
    7
    Occupation:
    Self-employed
    Location:
    Sweden
    Balance:
    - 16Coins
    Ratings:
    +1 / 0 / -0
    Thank you for your answer:) So it could work without any external optocoupler shield and just use a D/A converter like the cheap Mach3 board for the PWM speed control. By the way. What do i need the +5 pullup for?
  19. Danielw

    Danielw New Member

    Joined:
    Jul 23, 2021
    Messages:
    7
    Occupation:
    Self-employed
    Location:
    Sweden
    Balance:
    - 16Coins
    Ratings:
    +1 / 0 / -0
    I just realized that i missed one obvious detail. I still have to use 2 optocouplers if i want to be able to control one motor in both directions.
    Last edited: Aug 31, 2021
  20. Billel

    Billel Member

    Joined:
    Mar 29, 2022
    Messages:
    37
    Balance:
    195Coins
    Ratings:
    +2 / 0 / -0
    My Motion Simulator:
    Arduino, Motion platform, 6DOF
    What MODE of the SMC3.ino program did you choose to run this set up ? and did it work ?